联系我们 contact
联系邮箱:
1763864962@qq.com
联系地址:
深圳市光明区凤凰街道南太云创谷2栋14楼
联系电话:
13510710521
TKZN003A环保仪器传感器
TKZNxxxA系列差压传感器是一款专为压力测量设计的高性能压力传感器。其核心部件采用先进的MEMS技术制造的硅压阻式压力敏感芯片,内部集成了专用的ASIC芯片。该ASIC利用数字补偿技术,针对传感器的偏差、灵敏度、温度漂移和非线性误差进行校正,从而提供经过精准校准和温度补偿的标准电压输出信号。传感器以供电电压作为参考源,确保输出信号的可靠性和一致性。
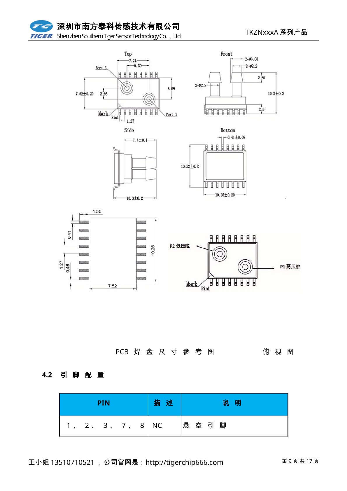
TKZNxxxA系列采用紧凑的SOIC-16封装方式,体积小巧,便于安装,极大地方便系统集成。根据不同用户需求,可以定制标定的输出信号,广泛应用于医疗健康、工业检测、运动健身器材等多个领域,无论是在精密测量还是实时监控方面都表现出色。
热门推荐 · recommendation
产品中心 >















